讨厌隐藏式门把手的用户们,如今终于胜利了
来源:倍可亲(backchina.com)隐藏式门把手被全面禁用,新势力车企们几乎全军覆没?
这波门把手新国标真的太狠了,但也真的是大快人心。
就在前几天,预热了很久的汽车门把手新国标终于公开征求意见了。里头最最重要的部分,就是隐藏式门把手彻底凉凉了,如果有新车在2027 年之后( 预计时间,非官宣 )还在用隐藏式门把手,那直接就不让卖了。

关于新国标,脖子哥在闭门会阶段就写过了文章,也在小破站发了条动态,结果发现大伙的问题其实还是挺多的。
比如新规的具体内容是啥,市面上的车子哪些合规哪些不合规,已经用了隐藏把手的车型要不要返厂等等。
于是前一阵我们找到了几位行业内的大佬,有车企的总工程师,也有参与国标制定的企业代表,来帮大伙一起看懂这回新规的内容和影响。
当然在开始讨论前,咱们还是先来看看这个新国标具体都要求了啥。
大伙做好笔记啊,后面有随堂检查的。
简单来说,这回新国标的重点无非就这么几条,首先,新规明文规定了车门外把手应该具备机械释放功能,电子开启的全军覆没。

同时,车门外把手应该在任何状态下,拥有一个不小于60mm*20mm*25mm 的手部操作空间,也就是得有个手能抠的地方,那和车身平齐的全隐藏式设计就没了。
车内的门把手同样也得具有机械释放的功能,并且必须无结构件遮挡,直观可见,只能放在咱们手可以轻松够到的这个灰色区域里面。


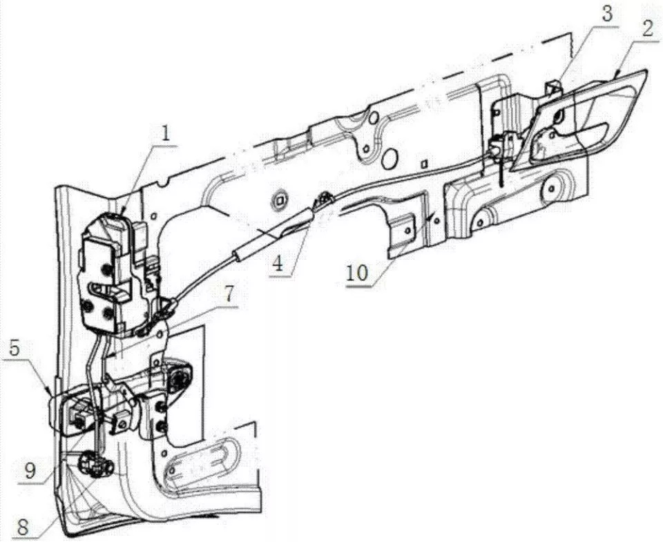
注意啊,上头说的这些机械释放功能,说的可不是门把手上的可活动机械部件( 比如小米 YU7的机械翻盖和特斯拉 Model 3手动外拉把手 ),而是车门里面类似下图这样的能够通过物理方式打开车锁的拉杆。
大伙不要搞混了。

再加上一些事故后的硬性安全规定,比如在碰撞之后可以从车外不借助工具从车外打开车门、碰撞以后门把手不能断了或者掉了等等,就是这回门把手新国标的全部内容了。
至于它的生效时间,虽然在征求意见稿里没有写明,但是根据多方验证,它大概率会从2027 年的 1 月 1 号开始施行。再结合原文里的生效条款,那情况大概是:
除了一定要有手抠区域这个要求以外,所有在 2027 年 1 月 1 日以后新发布的车,就都得按新国标的要求配上有机械结构的门把手。7 个月后也就是 2027 年的 7 月 1 日,上市的新车也必须拥有手抠的区域。
对于市面上已经有的车型,新规生效 19 个月以后也就是 2028 年的 7 月 1 日,也得完全符合新国标的要求。

如果到了时间点还不能满足要求,就会直接失去上市的资格,不让卖了。
是不是感觉还挺简单的啊?
好,那我接下来要考考大家了,接下来出现的这些门把手,它们符不符合新国标。先来个难度低一点的哈,这个,特斯拉 Model 3 的门把手。

符合吗?
肯定不符合了对吧。
因为它没有给到人手可以操作的区域嘛,得先按一下才能抠开。

那这个,这个是很多新势力,比如理想、极氪、问界都在用的电弹隐藏式门把手。
这个符合吗?

是的,也不符合。
因为虽然它弹出来以后有操作空间了,但新国标要求的是在默认状态下也得有抠的地方。

OK 我要开始上难度了啊,这个,小米 SU7的半隐藏式门把手,符合国标吗?

答案是,不符合。
因为虽然它在默认状态下给到了手部操作空间,但是它的内部没有机械的开锁结构,只是一个按钮通过电信号开锁,也不合规。


大伙猜对没?
那我们再来看最后一个啊,这个是特斯拉的后排内门把手,要不要改?

也要改,因为虽然这个拉环的形式没问题,但是它一是前面有结构遮挡,二是没有处在国标规定的区间里面,太低了,也不行。
哈哈,有没有都猜对的兄弟划个线团建吧。
那整这么半天,怎么啥啥设计都不行啊?到底咋样的门把手是符合新国标的呢?
答案其实也非常简单,就是满大街都是的,形式最简单的传统门把手啊喂!

那大概知道国标是啥以后我们就开始解答大伙的疑问了。
首先第一个问题,新国标这么一改,对已经买车的朋友们会造成啥影响吗?答案是,不会的。
已经买到手的车,以及准备在新国标实施也就是 2027 年以前买的车,就算是用了隐藏式的门把手,就算是它新国标里的要求一条都没满足,都不需要什么召回、返厂升级新的门把手,也不用担心哪天开在路上会被交警拦下来,正常开就完事了。

唯一影响的,可能就是非常喜欢隐藏式门把手的朋友了。
因为为了适应新规,车企们大概率会提前用上新的把手设计,我估摸着一年以后,咱们在新车上应该就看不见全隐藏的设计了。所以如果你就是中意把手弹出来的形式感,留给你下单的时间不多了。
不过我想,应该不会有人的癖好这么奇怪吧。。。

相比之下,这个新国标对于车企们的影响就比较有意思了,新国标刚发没多久脖子哥就找到了国内外不同车企的大佬们了解他们的反馈。
结果我发现,国内外车企们对于这个新国标的反应竟然非常不一样。
A 是参与这回新国标讨论和制定的某国际一线车企法务代表,他对我们表示新国标的内容一发,对他们现在的产品影响非常大,甚至有可能赶不上国标施行的日期。
主要原因,是因为他们原来以为新国标不会卡的这么死,一定要求外门把手一定要机械解锁,所以一直是按照做好电控开锁的备份来准备的,新规一出发现卧槽白准备了,只能推倒重来。
这样一来需要修改的东西就非常多了,所以他们目前的计划是重新设计整套落锁解锁的系统,涉及到新的工业设计,还有整车架构里的信号控制逻辑更新。

再加上验证和全球工厂的产线调整,可能一时半会真就做不出来,只能加班加点赶 deadline 。
那这么一看,新国标对车企的影响好像挺大的嘛,别的企业是不是也得紧张起来,改进改设计了?
咳咳,并不是。
B 是国内某大型汽车集团的总工程师,和 A 的观点完全不同,B 表示新国标对自己的企业其实没有带来太大的影响,即使没有新规,他们也一直在尝试不同的门把手设计,改方案只是日常。

他还说,现在国内主流新势力车企的新车开发周期已经被压缩到了只有十八个月,研发和验证的速度是非常快的。再加上带有机械结构的门把手的相关技术已经非常成熟,一年的时间完成修改和量产已经绰绰有余。
他的原话是:这点东西交给中国的工程师,最多几个月就能搞定。
而当我拿着 A 说来不及修改方案的观点向他求证的时候,B 甚至表示从研发层面看几乎不太可能出现这样的情况,里头大概率有其他更复杂的影响因素。
一边说来不及,一边说洒洒水,这种国内外车企两极分化的情况还是挺有趣的。
大伙觉得,为啥会有这种区别呢?
但不管咋样,虽然对车企的影响各不相同,但总归从 2027 年的 7 月份开始,隐藏式门把手这个人人喊打的配置就要彻底退出国内舞台了。
毫无疑问,这是件天大的好事。
因为咱们频道的老粉应该都知道,我们早在将近两年前就发过一篇文章,喷了隐藏式门把手。
具体内容不展开了啊大伙可以戳这里回顾一下,总结起来就是隐藏式门把手这玩意除了能完全和车门齐平以外,对一台车几乎没有任何作用。

不仅很难用还容易坏,成本还比一般把手要高,甚至你说这玩意能降风阻减能耗,可能你中午少吃点,空调温度调高点效果都比它好。
但难用和没用还不至于让隐藏式门把手被国标 ban 掉,不安全才是。
很多人说隐藏式门把手很容易在撞车的时候出现无法解锁的情况,这种说法其实只对了一半。
C 是一名负责车门系统验证的高级工程师,他对我们说即使是电子控制的外门把手,在碰撞的时候只要没有伤到低压电池,几乎都能做到稳定快速的解锁,相关技术已经非常成熟了。
真正影响安全的,是隐藏式设计的弹出机构。传统的机械把手,在碰撞之后只要解锁就能够直接开门,而隐藏式门把手在解锁之后,还得再执行一个弹出指令才行。

两倍的电信号意味着两倍的失效概率,为了不在事故,甚至是日常用车的时候出现弹出不来的情况,就必须在研发的时候做好可靠性的验证。
但是相比于传统门把手,隐藏式门把手的耐久性验证可不是那么好做的。
C 给我举了个例子,验证传统把手的工装只需要模拟外拉动作,然后用电机和气泵驱动工装就行。
但隐藏式门把手,特别是带翻盖的设计,用来验证的工装不仅按压和外拉的动作要更加细腻,还得在执行的过程里避让翻转机构,设计难度非常高,需要测试团队极强的技术力,也需车企超高的研发和验证投入。
也是因此,C 的实验室虽然已经是国内最强的那一批,但最多也只能给半隐藏式的门把手做耐久性验证。
反观现在满大街的,不到十万的新车都在用的全隐藏式门把手,里头又有几个车企是能拍着胸脯保证,自己的设计能在事故的时候安全稳定地弹出呢?
很有意思的是,在这波新国标的洗礼下,受到影响最小的反倒是没有跟风做隐藏式门把手的那些车企。

看来,有时候动作慢也不一定是坏事嘛。
当然这回的新规也给车企和我们提了个醒,那就是并不是所有的新技术、新设计都是符合市场和用户需求的。也并不是所有车企都在用某个功能,就能代表人们真正需要它的。
回归理性,把实用和安全放在比各种噱头更高的位置,才是避免人们吐槽、不被新规制裁的更好思路吧。